扫码下载APP
及时接收最新考试资讯及
备考信息
通过了!广西人大常委会全票表决通过《 广西壮族自治区资源税具体适用税率等事项的决定》,于今年9月1日起施行!税率及其他相关内容请查看原文:
广西壮族自治区人民代表大会常务委员会
关于广西壮族自治区资源税具体适用税率等事项的决定
(2020年7月24日广西壮族自治区第十三届人民代表大会常务委员会第十七次会议通过)
根据《中华人民共和国资源税法》第二条、第三条和第七条的规定, 统筹考虑我区资源情况,兼顾资源合理利用、资源保护和纳税人税负等因素,广西壮族自治区第十三届人民代表大会常务委员会第十七次会议决定:
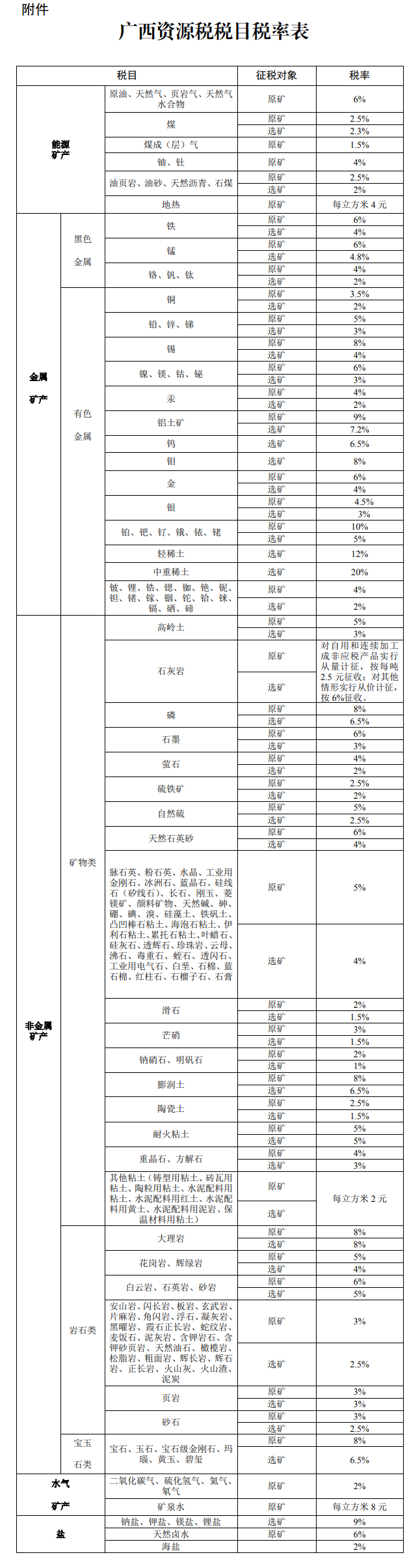
一、广西资源税的具体适用税率按《广西资源税税目税率表》执行。
二、地热、其他粘土、矿泉水资源税实行从量计征。砂石、天然卤水资源税实行从价计征。石灰岩资源税,属于自用和连续加工成非资源税应税产品情形的,实行从量计征;属于其他情形的,实行从价计征。
三、有下列情形之一的,按下列办法予以减征或者免征资源税:
(一)纳税人开采或者生产应税产品过程中,因意外事故或者自然灾害等原因遭受重大损失的,按其损失金额减征当年应缴纳的资源税,但减征额不得超过当年应纳资源税的50%。
(二)纳税人开采伴生矿,分开核算伴生矿与主矿产品销售额的,对伴生矿按其应纳税额的20%减征资源税。
(三)纳税人开采低品位矿(尚难利用矿),对低品位矿(尚难利用矿)按其应纳税额的50%减征资源税。
(四)纳税人开采尾矿,对尾矿免征资源税。
四、本决定自2020年9月1日起施行。
附件:

作为财务人员一定要对各种税率及相关税务知识了如指掌,所以各位小伙伴赶快收藏税目表备用吧。
想学习更多税务知识请关注:财会人必须掌握的100个涉税问题,它为财会人系统梳理了日常税务中涉及的所有重要的税收法规,从新税收政策解读入手,讲解最常见、最焦灼的100多个热点税务问题,赶快报名了解吧>>
Copyright © 2000 - www.fawtography.com All Rights Reserved. 北京正保会计科技有限公司 版权所有
京B2-20200959 京ICP备20012371号-7 出版物经营许可证
京公网安备 11010802044457号
套餐D大额券
¥
去使用