2017年资产评估师《机电设备》练习题精选(十四)
为了使广大学员在备战2017年资产评估师考试时更快地掌握相应知识点,正保会计网校在此精选了资产评估师《机电设备评估》科目的练习题供学员参考,祝大家备考愉快,梦想成真。
1、单选题
下列关于间歇运动机构的说法中,错误的是( )。
A、间歇机构的主动件做连续运动,从动件能产生“动作-停止-动作”的运动
B、常见的间歇结构有棘轮机构和槽轮机构
C、槽轮机构中,拨盘是主动件
D、如果需要槽轮静止的时间变长些,可以增加拨盘上圆销的数目
【正确答案】D
【答案解析】本题考查的是间歇运动机构。选项D错误,如果需要槽轮静止的时间变短些,可以增加拨盘上圆销的数目。参考教材P63。
2.单选题
棘轮机构的主动件是( )。
A、棘轮
B、拨盘
C、棘爪
D、止退棘爪
【正确答案】C
【答案解析】本题考查的是间歇运动机构。棘轮机构的主动件是棘爪。参见教材P62。
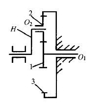
3.单选题
在齿轮传动中,下图轮系属于( )。

A、定轴轮系
B、差动轮系
C、行星轮系
D、混合轮系
【正确答案】C
【答案解析】本题考查的是齿轮传动机构。图中中心轮3固定不动,这种轮系称为行星轮系。参见教材P56。
4.单选题
( )属于传动比按周期性变化。
A、齿轮变速箱
B、凸轮机构
C、蜗杆传动
D、流体黏性传动
【正确答案】B
【答案解析】本题考查的是机器的组成。凸轮机构属于传动比按周期性变化。参见教材P37。
5.单选题
以下关于机器的说法中,错误的是( )。
A、常用的动力机有电动机和内燃机
B、机器的传动部分是将原动机提供的机械能以动力的形式传递给工作部分
C、工作部分是机器设备区分和分类的依据
D、机器能够实现能量的转换或代替人的劳动去做有用的机械功,而机构没有这样的功能
【正确答案】B
【答案解析】本题考查的是机器的组成。选项B错误,机器的传动部分是将原动力提供的机械能以动力和运动的形式传递给工作部分。参见教材P36。





