扫码下载APP
及时接收最新考试资讯及
备考信息
一、单项选择题(共30题,每题1分,每题的备选项中。只有l个最符合题意)
1、下列机械传动中,( )传动不属于啮合传动。
A、凸轮机构
B、圆柱蜗杆
C、链
D、螺旋
2、下列关于压力加工的叙述中,正确的是( )。
A、采用压力加工方法制造的毛坯力学性能不好
B、模锻加工需用模具而冲压加工不需要模具
C、模锻适用于大批量生产而冲压鼠适用于小批量生产
D、模锻适用于加工多种形状的金属原材料而冲压适用于板料、条料加工
3、在20级尺寸公差中,( )在机床和一般较精密的机器制造中用得最普遍。
A、IT6-IT5
B、IT7-IT6
C、IT9-IT8
D、ITl0-IT13
4、以下关于功,以及机械传动功率与效率的说法中,不正确的是( )。
A、功的大小等于力和物体沿作用力方向移动距离的乘积
B、功率等于力在其作用点速度方向上的分量与速度的乘积
C、机器的输出转矩与输出转速成反比
D、机械效率总是小于l
5、下图所表示的是( )的工作原理图。

A、齿轮泵
B、双作用叶片泵
C、单作用叶片泵
D、径向柱塞泵
6、已知双杆活塞液压缸的活塞直径20cm,活塞杆直径4cm,若作用在活塞上的液压推力为200kN,则液压缸的液压传动压力为( )Pa.
A、6.63×10-1
B、9.95×10-1
C、6.63×106
D、9.95×106
7、下列有关液压调速的表述中,不正确的是:( )
A、节流调速都采用定量泵供油
B、节流调速都采用流量控制阀调节流量
C、节流调速都可以获得平稳的运动
D、节流调速效率较低,一般应用于功率不大的场合。
8、下列中、小型变压器的部件中,( )属于保护装置。
A、储油柜
B、有载分接开关
C、冷却装置
D、油箱
9、下列关于鼠笼式三相异步电动机的表述中,正确的是( )。
A、其定子由铁芯和定子绕组组成
B、三相定子绕组的首端、末端分别接在出线盒的接线柱上
C、三相定子绕组的首端连接在一起,末端分别接在出线盒的接线柱上
D、功率较大的电动机(100kW以上),其鼠笼转子多采用铸铝材料
10、一台直流电动机,其额定电压为220V,额定电流为808A,额定效率为90%,该电动机的额定功率为( )kW。
A、197.5l
B、177.76
C、159.98
D、143.98
11、机床的生产率可以用( )表示。
A、每批工件的切削时间
B、单位时间内机床所能加工的工件数量
C、每个工件的切削加工时间与辅助时间之和
D、每批工件的数量
12、机床的类代号中,汉语拼音大写字字母"Y"代表( )。
A、仪表车床
B、摇臂钻床
C、研磨机
D、齿轮加工机床
13、以下关于车床的表述中,不正确的是( )。
A、切削加工时,主轴总是承受切削力
B、丝杠是专门为车削各种螺纹而设置的
C、溜板箱是车床进给运动的操纵箱
D、进给箱中装有将丝杠和光杠的旋转运动变成刀架直线运动的机构
14、下列关于电火花加工特点的叙述中,不正确的是( )。
A、可以加工任何硬、脆、韧、软、高熔点、高纯度的导电、非导电材料
B、适于加工小孔、薄壁、窄槽及具有复杂截面的零件
C、加工中几乎不受热的影响,因此可以减少热影响层,提高加工后的工件质量
D、由于脉冲参数可调节,因此在同一台机床上可以进行粗、半精、精加工
15、下列各项中,( )是组成中高档CNC装置不可缺少的部分。
A、零件加工程序
B、可编程序控制器
C、输入、输出设备
D、速度控制单元
16、半闭环控制和闭环控制数控机床( )。
A、都有装在工作台上的位置检测装置
B、都有装在电动机轴端的速度检测器
C、都是将工作台实际运行位置与指令位置进行比较,用差值进行控制
D、都可以获得同样高的控制精度
17、数控车床的进给伺服驱动系统( )的说法是错误的。
A、包括速度控制和位置控制
B、在低速时应该输出大转矩
C、应该响应快、调速范围宽
D、具有恒线速切削功能
18、内燃机的做功冲程发生在( )之后,膨胀功经连杆由曲轴输出,从而把燃料的热能转换为机械动。
A、进气冲程
B、压缩冲程
C、膨胀冲程
D、排气冲程
19、压力容器的设计温度是指( )。
A、在正常工作条件下,设定的受压元件的金属温度
B、在正常工作条件下,压力容器内部工作介质的温度
C、额定工况的介质温度
D、压力试验时壳体的金属温度
20、由于( )较少用作容量较大、压力较高的工业锅炉。
A、结构方面的限制,火管锅炉
B、热效率较低,火管锅炉
C、结构方面的限制,水管锅炉
D、热效率较低,水管锅炉
21、下列锻造设备中,只有( )在整个工作行程中都能对工件施加最大工作压力。
A、空气锤
B、摩擦压力机
C、曲柄压力机
D、水压机
22、在使用冲天炉熔炼铸铁的过程中,( )是熔化过程中要解决的重要问题之一。
A、脱磷
B、脱碳
C、脱硫
D、脱锰
23、现代设备管理理论将( )作为管理目标。
A、对设备进行使用期内的维修管理,通过一系列维修措施保证设备在使用过程中的有效性和可靠性
B、保证设备在使用过程中的有效性和可靠性的同时,追求最小的维修费用
C、设备在寿命周期内经济性最好
D、设备在寿命周期内维修费用最小
24、设备的单位大修理成本是指没备在大修理过程中,( )所消耗的各种修理费用。
A、单台设备
B、单台设备每年
C、单机、生产线或生产班组每年
D、一个修理复杂系数的设备
25、在静强度设计中,脆性材料的许用应力等于( )除以安全系数
A、强度极限
B、屈服极限
C、比例极限
D、弹性极限
26、以设备或部件输出参数作为故障特征参数( )。
A、一般难以发现早期故障
B、不但能查出有无故障还能查明故障原因
C、可以判断出故障的形式
D、可以判断出故障的部位
27、下列关于涡流测振传感器的叙述中,正确的是( )。
A、是基于电磁感应原理工作的接触式测振传感器
B、属于相对式测振传感器
C、属于能量转换型传感器
D、适于测量旋转轴系的振动速度和转速
28、热电偶( )的说法是错误的。
A、基于热电效应进行温度测量
B、不仅能测量液体、气体内部的温度,还能测量固体表面的温度
C、所产生的热电动势不仅与热电偶材料、两端温度有关,还与热电极长度有关
D、便于远距离和多点测量
29、检验车床几何精度时,在主轴孔中插人一根短检验棒,在检验棒中心放一粒铜球,然后用固定在溜扳上的平头百分表测头触在钢球上,转动主轴进行检验。百分表读数的最大差值,即为所测误差值。以上程序测量的是( )。
A、主轴锥孔轴线的径向跳动
B、主轴轴线对溜板移动的平行度
C、主轴轴向窜动
D、床头和尾座两顶尖等高度
30、桥式起重机车轮轮缘磨损量超过原厚度的( )时,则应报废更换。
A、20%
B、30%
C、40%
D、50%
二、多项选择题(共l0题。每题2分。每题的备选项中,有2个或2个以上符合题意,至少有1个错项。错选,本题不得得分;少选。所选的每个选项得O.5分)
31、表面粗糙度对机器零件的( )均有较大影响。
A、配合性质
B、耐磨性
C、抗腐蚀性
D、尺寸精度
E、变形刚度
32、液压系统中,常用的压力控制阀有( )
A、溢流阀
B、节流阀
C、减压阀
D、单向阀
E、顺序阀
33、下列变压器中,( )归属于电力变压器。
A、升压变压器
B、凋压变压器
C、降压变压器
D、配电变压器
E、接地变压器
34、以下各工序中,能够在普通车床上完成的有( )
A、镗孔
B、钻孔
C、铣键槽
D、磨外圆
E、滚花
35.数控机床主机包括( )
A、主轴
B、导轨
C、床身
D、交换工作台
E、排屑装置
36、对于工业锅炉,( )是为提高效率、降低排烟温度而设置的。
A、过热器
B、省煤器
C、空气预热器
D、水冷壁
E、燃烧器
37、设备的第Ⅱ种无形磨损可以通过( )进行补偿。
A、预防性修理
B、改善性修理
C、质量修理
D、更新
E、改造
38、下列各项中,( )是评价材料静强度的重要指标
A、比例极限
B、弹性极限
C、屈服极限
D、强度极限
E、断裂极限
39、压电传声器( )
A、由压电晶片完成声电转换
B、通过声压使压电晶片两侧产生电量相等的异性电荷
C、属于能量转换性传感器
D、灵敏度高且受温度、湿度影响小
E、多与标准与精密声级别计联用进行噪声测量
40、下列关于考核机器设备主要性能指标的陈述中,正确的是( )。
A、生产性是指机器设备的生产效率
B、可靠性是指机器设备适应任何工作条件并完成规定功能的能力
C、节能性是指机器设备节约能源的能力
D、维修性是指机器设备维修的难易程度
E、耐用性是指机器设备在使用过程中所经历的技术寿命时间
三、综合题(共4题,共50分。其中(一)题l0分,(二)题10分,(三)题12分, (四)题18分。有计算的,要求列出算式、计算步骤。需按公式计算的,应列出公式。计算过程中数字保留4位小数,计算结果保留3位小数)
(一)金属切削机床在出厂前、大修理后或质量检查时,为检验机床的质量、加工性质和生产能力需要进行试验。试验一般分为哪两种类型?试简述它们的测试目的及内容。
(二)(1)什么是设备的修理复杂系数?试简述其影响因素及确定方法。
(2)某企业拟对一台设备进行修理,该设备机械修理复杂系数Rj=24,电气修理复杂系数Rd=6,单位大修理费用定额为400元/R,修理次数修正系数FK=1.1.试计算设备的计划大修理费用。
(3)若该设备实际发生的大修理费用与计划费用相同,并且这台设备所发生的有形磨损全部为可修复性磨损。该设备的原始购买费用为160000元,同类型全新设备目前的市场售价为80000元,试计算该设备的综合磨损度及剩余价值。
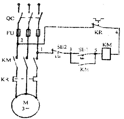
(三)如图所示为三相异步电动机控制原理图。

(1)试说明SB、QC、FU、KM、KR所代表电器的名称及在电路中的作用;
(2)试叙述电动机启动、停止的控制过程。
(四)什么是设备的寿命周期费用?它具体包括哪些费用?在对设备进行技术改造时如何使用寿命周期费用法进行经济性分析?某工厂为提高现有生产线的生产能力而进行改造,要求改造后设备的生产能力在100万吨到230万吨/年之间,使用寿命为8年。工厂拟定了三种技术改造方案,
A方案:预计一次性投资55万元,改造后的寿命周期为4年,年均维持费用为20万元,年产量为120万吨。为满足8年使用寿命要求,在第4年末需要再次进行改造,再次改造的一次性投资金额、年均维持费用、使用寿命及年产量与第一次相同。
B方案:预计一次性投资l50万元,改造后的寿命周期为8年,年均维持费用为l0万元,年产量为140万吨。
C方案:预计一次性投资220万元,改造后的寿命周期为8年,年均维持费用为11万元,年产量为210万吨。
若目前旧设备的现值为20万元,折现率为10%,报废后残值为零,试从A、B、C三个技术改造方案中选择一个最优方案。
Copyright © 2000 - www.fawtography.com All Rights Reserved. 北京正保会计科技有限公司 版权所有
京B2-20200959 京ICP备20012371号-7 出版物经营许可证
京公网安备 11010802044457号
套餐D大额券
¥
去使用