25周年

财税实务 高薪就业 学历教育
APP下载
APP下载新用户扫码下载
立享专属优惠

安卓版本:8.8.80 苹果版本:8.8.80

开发者:北京正保会计科技有限公司

应用涉及权限:查看权限>

APP隐私政策:查看政策>

HD版本上线:点击下载>

南京市(初、中级)资格证书补办须知

来源: 南京市财政局 编辑:大白猫 2018/10/25 10:30:30  字体:

招生方案

书课题助力备考

选课中心

资料专区

硬核干货等你学

资料专区

财会题库

海量好题等你练

财会题库

会计人证件照

照片一键处理

会计人证件照

考试提醒

重要节点不错过

考试提醒

南京市财政局发布了会计专业(初、中级)资格证书补办通知,需要补办初级会计资格证书的考生请携带本人身份证原件及复印件、证书补办申请表、登报的遗失声明原件、证件照电子图片到原发证地财政局会计处现场办理。

会计(初、中级)资格证书补办须知

一、申请 

申请证书补办的持证人到原发证地财政局会计处现场办理,并提供以下材料: 

1、本人身份证原件及复印件; 

2、证书补办申请表一式二份; 

3、登报的遗失声明原件; 

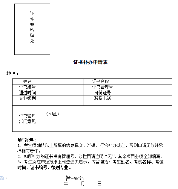
4、二张一寸白底证件照(粘贴于《证书补办申请表》右上角); 

5、证件照电子图片,照片要求:半身免冠正面证件照(尺寸25mmⅹ35mm,像素295pxⅹ413px),照片底色背景为白色,JPG或JPEG 格式。电子照片以名字+身份证号码命名,现场办理时提交。 

二、审核 

各地财政局会计处于每月底将审核合格的申请信息汇总表、申请材料及电子照片邮寄至江苏省人事考试中心。南京市审核地址:南京市财政局会计处,长江路66号,联系电话:51808616。 

三、证书打印 

省会计考办将审核通过的证书补办申请提交财政部、人社部进行证书打印。 

四、证书发放 

证书打印好以后,寄达各地财政局会计处,各地财政局会计处通知申请人证书领取事宜。 

附件:证书补办申请表 

省会计考办    省人事考试中心 

2018年10月19日 

QQ截图20181025102922

说明:因考试政策、内容不断变化与调整,正保会计网校提供的以上信息仅供参考,如有异议,请考生以权威部门公布的内容为准!

精彩阅读:

各地2018年初级会计合格证书领取时间汇总

没有工作经验?如何提高实操技能?  

学员讨论(0
回到顶部
折叠
网站地图

Copyright © 2000 - www.fawtography.com All Rights Reserved. 北京正保会计科技有限公司 版权所有

京B2-20200959 京ICP备20012371号-7 出版物经营许可证 京公网安备 11010802044457号

恭喜你!获得专属大额券!

套餐D大额券

去使用